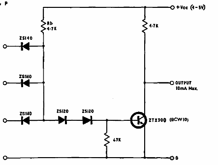
Este circuito se encontró en una documentación de Ferranti de 1969. Se puede implementar con transistores y diodos equivalentes modernos.

Puerta NOR DTL
Este circuito se encontró en una documentación de Ferranti de 1969. Se puede implementar con transistores y diodos equivalentes modernos.
