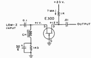
Este circuito amplificador de transistor de efecto de campo en la configuración de puerta (gate) común o puerto común es de una documentación antigua. Los FET equivalentes pueden usarse de acuerdo con las características de amplificación de señal y frecuencia.

Paso de puerta común para FET



