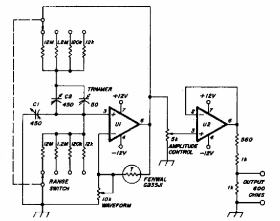
Encontramos este circuito en una vieja documentación estadounidense (años 80). El circuito genera señales sinusoidales de 30 Hz a 100 kHz con menos del 0,5% de distorsión armónica. La salida en una carga de 600 ohms es de aproximadamente 1 Vrms. La alimentación debe hacerse con fuente simétrica.

Oscilador Puente de Wien



