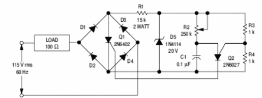
Encontramos este circuito de control de cargas en la red eléctrica usando SCR y PUT en un manual de tiristores de ON Semiconductor. Los diodos de puente y SCR deben ser compatibles con la potencia de la carga a controlar.

PUT y SCR Control de fase
Encontramos este circuito de control de cargas en la red eléctrica usando SCR y PUT en un manual de tiristores de ON Semiconductor. Los diodos de puente y SCR deben ser compatibles con la potencia de la carga a controlar.
