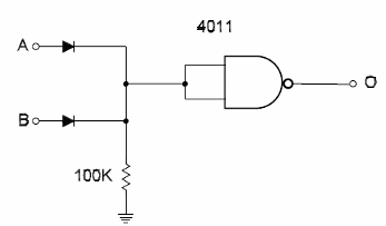
Podemos utilizar una puerta NAND, dos diodos y un resistor para implementar la función lógica NOR CMOS, como muestra la figura. En el circuito tenemos dos entradas, pero se puede hacer su ampliación. Los diodos pueden ser 1N4148 o equivalentes. El circuito es del libro CMOS Sourcebook de Newton C. Braga, publicado en los Estados Unidos.




