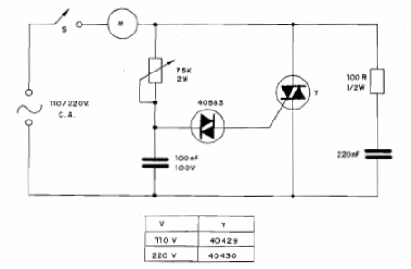
Este circuito utiliza TRIACs antiguos de la RCA, los cuales pueden ser sustituidos por equivalentes de la serie TIC sin problemas. El rango de potencia dependerá del TRIAC, que debe montarse en un radiador de calor. El DIAC también puede ser sustituido por equivalentes comunes.




