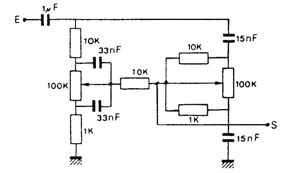
Este circuito aparece en varias versiones en este sitio. Está diseñado para usarse entre la salida de un preamplificador y la entrada de un amplificador de audio. Se debe compensar la pérdida de intensidad de la señal.
Es un circuito simple que se puede conectar a la salida de cualquier aparato de sonido para hacer...
Este circuito consiste en una configuración bastante conocida de oscilador con transistores...
Como hemos visto, el circuito integrado 555 es uno de los temporizadores más populares y encuentra...