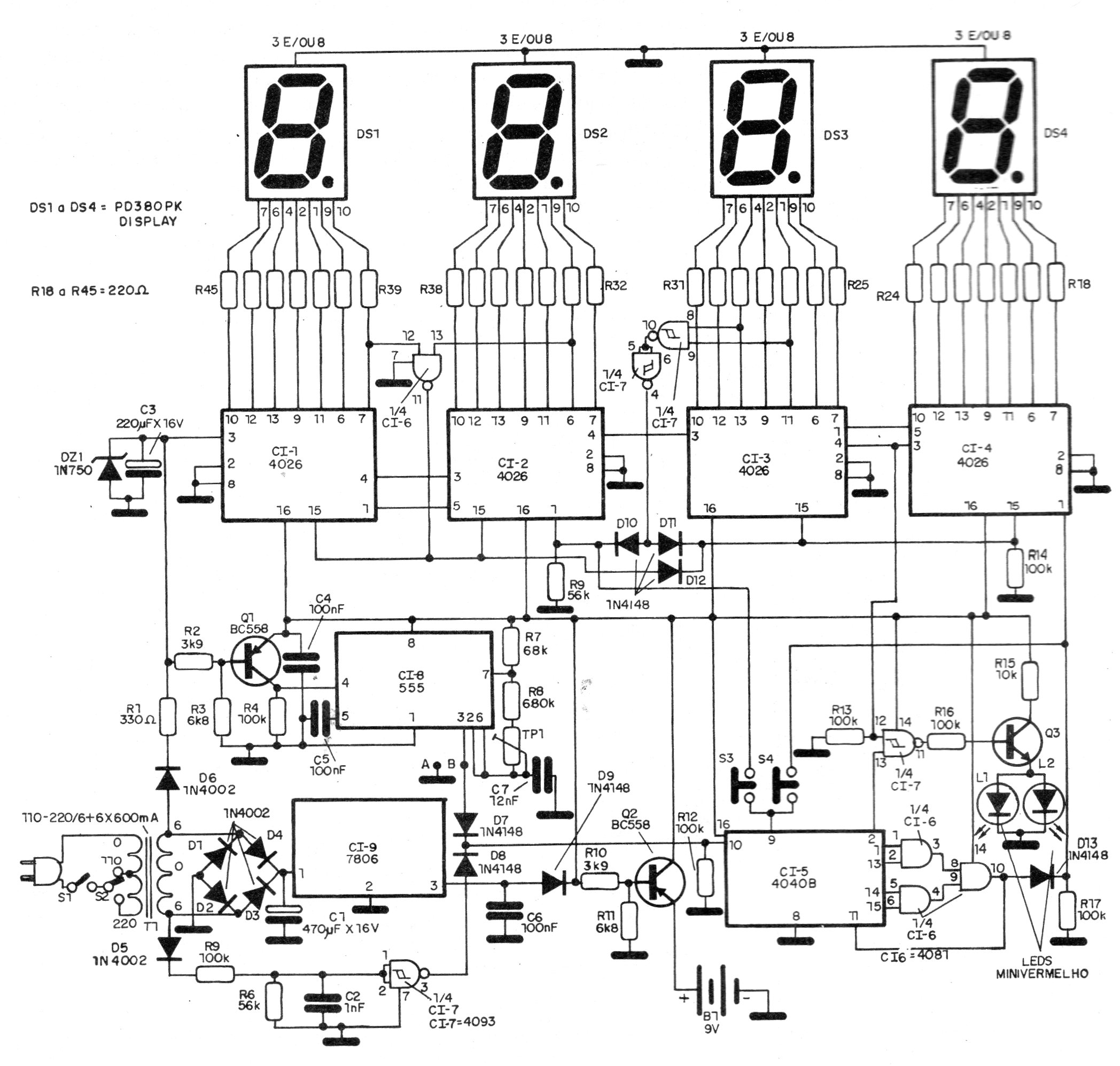
Este reloj digital tiene una configuración tradicional con circuitos integrados CMOS bien conocidos. El circuito incluye la fuente de alimentación y el reloj a través de la red de energía de 60 Hz. Los displays son de 7 segmentos de cátodo común. Encontramos este circuito en una documentación de los años 90.




