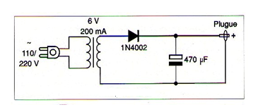
Muchos pequeños aparatos domésticos que se alimentan con pilas y baterías pueden conectarse a la red de energía mediante un eliminador de pilas o un adaptador AC / DC. Estos aparatos también se conocen como "fuentes de alimentación" o "fuentes de corriente continua". En la figura 1 tenemos el circuito típico de un adaptador de este tipo.

Conforme podemos ver, un circuito simple de este tipo está formado por un transformador que baja la tensión de la red de energía y después de una rectificación por un diodo y filtrado por un condensador electrolítico entregan en su salida una tensión continua entre 1,5 y 12 V El transformador es importante porque aísla el circuito alimentado de la red de energía evitando así el peligro de choques. La salida para el aparato alimentado se realiza normalmente por un cable con un enchufe que encaja en un jack adecuado. En la figura 2 tenemos la foto de un convertidor común.

Hay algunos puntos importantes para los que el profesional de la electrónica debe estar atento al trabajar con este tipo de equipo:
Voltaje de trabajo - la tensión de salida del convertidor se determina por el número de pilas (o batería) que el equipo a ser alimentado utiliza. Por ejemplo, para un aparato de 4 pilas (4 x 1,5 V) necesitamos un convertidor de 6 V. Para una batería de 9 V necesitamos un convertidor de 9 V. Algunos convertidores son fijos, es decir, deben ser adquiridos ya con la tensión deseada. Otros poseen una llave que permite seleccionar la tensión de salida. Nunca utilice una tensión mayor que la que el aparato alimentado, ya que puede sufrir daños irreversibles.
Corriente de trabajo: la corriente de trabajo está determinada por el consumo del aparato que está relacionado con el tipo de pilas o batería usada. Para aparatos que utilizan pilas AA la corriente estará entre 100 y 200 mA. Para aparatos que utilizan pilas tipo C la corriente debe ser entre 300 y 500 mA. Para aparatos que utilizan pilas grandes (D) la corriente debe estar entre 800 mA y 1 A. Para baterías de 9 V la corriente debe estar entre 50 y 200 mA.
Polaridad del enchufe - los enchufes de conexión a los aparatos pueden tener el polo positivo en el perno central o el polo negativo en el perno central. Es importante comprobar antes de hacer la conexión si el polo del enchufe del convertidor coincide con el del aparato alimentado. Algunos convertidores también poseen una chavinha que permite seleccionar cuál de las dos opciones debe ser usada.
Un punto importante a observar en los convertidores comprados en la mayoría de las casas especializadas es que están formados por circuitos muy simples sin regulación ya veces con filtrado deficiente. El problema causado por el filtrado se refleja eventualmente en ronquidos cuando se alimentan los aparatos de sonido (reproductores de CD, radios, etc.). Un condensador adicional de filtro de 1 000 a 2000 uF en paralelo con la salida, observándose la polaridad puede ayudar a reducir estos roncos y eventualmente oscilaciones. En los CD players podemos tener una fuerte distorsión con el volumen abierto en sonidos graves cuando el filtrado es deficiente o cuando la capacidad de suministro de corriente del convertidor está por debajo de lo exigido por el aparato. Debido a la ausencia de regulación, observamos que la tensión que medimos en un convertidor con el multímetro cuando no está alimentando ningún aparato es siempre mayor que cuando está conectado. Así, al probar la salida de un convertidor de 6 V con el multímetro usted puede encontrar tensiones mucho más altas, sin que eso signifique que esté mal. Tensiones de 7 a 9 V se pueden encontrar en este caso.



