Son circuitos que decodifican una señal digital (codificada en binario o BCD), en una señal propia para la excitación de un display de 7 segmentos o aún proporcionando una salida 1 de 10 para excitación de un display de 10 electrodos u otros dispositivos indicadores.
En la figura 1 tenemos un ejemplo de circuito decodificador TTL, el 7442, que proporciona una señal en una de 10 salidas, conforme la señal de entrada codificada en BCD.

Sólo la salida correspondiente a la entrada codificada va al nivel lógico bajo, mientras que las demás permanecen en el nivel alto.
Otro circuito decodificador en tecnología TTL es el mostrado en la figura 2. En él tenemos una salida de 16 correspondiendo a la entrada de una señal codificada en binario con 4 bits. Este circuito posee, por lo tanto, 4 entradas con pesos equivalentes a 1, 2, 4 y 8.

Algunos circuitos decodificadores poseen etapas de excitación de cierta potencia o de ciertas características especiales para la excitación directa de displays.
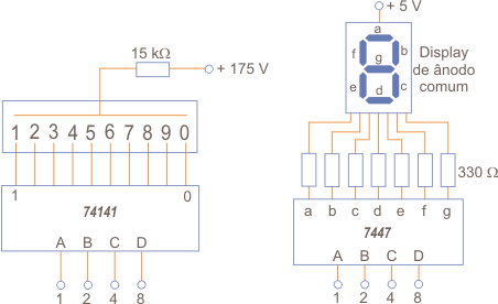
Así, en la figura 3 tenemos el 7447 que se utiliza para la excitación de displays de 7 segmentos del tipo semiconductor (LED), con resistores limitadores de corriente.

En la misma figura tenemos también el 74141 que se utiliza en la excitación de tubos Nixie, cuya tensión de alimentación es de 175 V (poco usados actualmente). Estos tubos tienen 10 electrodos en formato correspondientes a las cifras de 0 a 9, los cuales se encienden cuando se excitan por separado.
Hay todavía decodificadores en otras tecnologías como los CMOS. Un decodificador CMOS muy común es el 4017 (1 de 10) bastante utilizado en aplicaciones prácticas como secuenciadores.
Temas Abordados
Displays (87)
Indicadores (88)
Ver también
BCD (89)
TTL (85)
CMOS (86)
Digital (84)
Nixie (1153)



