Los LDR (Light dependent Resistors) son componentes sensibles a la luz, es decir, dispositivos electrónicos que pueden actuar sobre un circuito en función de la luz incidente en una superficie sensible de los mismos.
Los LDR no deben confundirse con las foto-células. Mientras que los LDRs son resistores, cuya resistencia depende de la intensidad de luz que incide en los mismos, no suministrando por lo tanto energía alguna, las foto-células convierten energía luminosa (radiante) en energía eléctrica. Por sus características y bajo costo, sin embargo, los LDR se pueden utilizar en sustitución de las foto-celdas en una infinidad de aplicaciones prácticas.
En la figura 1 tenemos el símbolo utilizado para representar un LDR y los aspectos más comunes con que se pueden encontrar estos componentes.

En la figura 2 tenemos la curva característica de un LDR por donde puede ser observado que la resistencia muy alta de este componente en la oscuridad, del orden de muchos megohms, se reduce a algunas decenas o centenares de ohmios cuando es iluminado directamente.

(figura 2)
Así, si conectamos en serie con un LDR una fuente de energía (pila) y un amperímetro, veremos que la corriente circulante por el circuito dependerá de la cantidad de luz que incide en el LDR. Cuando la luz es intensa la corriente será mayor. Al conectar un relé al circuito, como muestra la figura 3 se puede hacer su control por medio de un haz de luz.

En las aplicaciones prácticas, como veremos, para aumentar el rendimiento del LDR ya que la corriente máxima que puede circular en él es limitada a algunas decenas de miliamperios para los tipos comunes, se utilizan circuitos amplificadores con uno o más transistores.
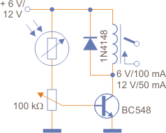
Así, podemos disparar un relé cuando la luz incide en el LDR haciendo el mismo controlar la corriente directa de base de un transistor, como muestra la figura 4 y podemos disparar el mismo relé cuando la luz es cortada, controlando la corriente que polariza inversamente la base del transistor, como muestra la figura 5.


El relé utilizado debe ser de tipo sensible con tensión entre 6 y 9V y sensibilidad para disparar con corrientes de 10 a 100 mA. El principio de funcionamiento de un LDR es el siguiente: La superficie sensible de este componente está formada por una sustancia denominada Arseniuro de Galio (GaAs) que presenta la propiedad de alterar su resistencia en función de la luz incidente.
Lo que ocurre es que los fotones ("partículas" de luz) incidentes en el material logran liberar electrones del material aumentando o disminuyendo su resistividad. Con mayor cantidad de electrones libres el material presentará menor resistencia y viceversa. La variación de la resistencia obtenida con diferentes grados de iluminación y la corriente máxima que puede soportar el componente depende de la superficie de contacto con los electrodos del material y del área expuesta del mismo a la luz.
Así, en la construcción de un LDR, como muestra la figura 6 lo que se hace es utilizar dos electrodos en forma de "peine" que se inter-penetran obteniendo con ello una gran superficie de contacto con el material foto-sensible.

Los LDR comunes tienen una sensibilidad que se aproxima en cierto modo a la sensibilidad del ojo humano en lo que se refiere a los diferentes colores, con la diferencia que éstos pueden alcanzar un poco más la banda del infrarrojo.
Con respecto a la velocidad de operación, los LDR son relativamente lentos en función de otros dispositivos foto-sensibles no pudiendo operar en frecuencias mayores que algunos quilohertz.



