Los LED, diodos emisores de luz o Light Emiting Diodes son dispositivos semiconductores capaces de producir luz de determinado color (frecuencia) cuando se transitan por una corriente.
Funcionamiento: la unión entre determinados materiales semiconductores con el arseniuro de galio (GaAs) cuando se viaja por corrientes eléctricas puede producir luz en considerable intensidad de frecuencias correspondientes tanto al espectro visible como en su región infrarroja.
La longitud de onda de la luz emitida por una unión PN depende de la diferencia de energía existente entre la banda de conducción del material y su valencia. Esta longitud de onda se puede calcular mediante la siguiente fórmula:
FÓRMULA
Donde: λ es la longitud de onda (m)
h es la constante de Planck ()
c es la velocidad de la luz (300 000 000 m / s)
Y es la energía en joules que separa la valencia y la banda de conducción.
El hecho de que un diodo semiconductor común emita luz en la banda infrarroja por un empalme ya es conocido desde hace mucho tiempo y fue sólo con el desarrollo de nuevas técnicas que fue posible la adición de impurezas en los materiales semiconductores que alterando la movilidad de los electrones vino resulta en diodos capaces de emitir de manera más eficiente luz, incluso en la parte visible del espectro.
En la figura 1 tenemos el aspecto de diodos emisores de luz comunes (LED) así como el espectro de radiación para algunos tipos de materiales, usados en los empalmes.

Los LEDs por sus características eléctricas se pueden utilizar en muchas aplicaciones prácticas, no sólo en sustitución de las lámparas incandescentes comunes como fuentes de luz, como en otras en que esos dispositivos no se pueden utilizar.
De hecho, además de tener un tamaño reducido en relación a las lámparas comunes y durabilidad del LED, así como su eficiencia en la producción de luz es mayor, añadiéndose la posibilidad de los mismos producir radiación monocromática (de un color solo) y ser modulados por frecuencias que alcanza muchos megahertz.
En la figura 2 tenemos la construcción de un LED común.

Los LEDs comunes se pueden utilizar como fuentes de luz de pequeña potencia en diversas aplicaciones, siendo la principal a ser citada como indicador de funcionamiento, colocado en paneles de diversos equipos.
Sin embargo, los LED de alta potencia ya empiezan a estar disponibles a precios asequibles, sustituyendo incluso lámparas comunes en la iluminación incluso de pequeños ambientes, en linternas, señalización, etc.
La figura 3 muestra un LED "jumbo" de alta potencia que emite luz blanca y se puede utilizar como una lámpara común en una linterna, panel o incluso techo.

También es posible montar varias pastillas de LED en una misma envoltura de modo que su luz combinada pueda resultar en cualquier color de emisión, incluido el blanco. En la conexión de un LED con cualquier propósito algunos cuidados deben ser observados, ya que su funcionamiento es un poco diferente al de las lámparas comunes.
Los LEDs, como sugiere su símbolo (figura 4) son en realidad diodos, y como tales se comportan, lo que significa que deben ser alimentados por corrientes continuas.

La inversión de polaridad de un LED, si supera la tensión de alimentación, puede causar su quema. Por otro lado, cuando en funcionamiento normal los LEDs presentan una resistencia en el sentido directo muy bajo lo que significa que deben ser usados ??con limitadores de corriente para que el exceso de corriente no los queme. Así, en la utilización de un LED tenemos inicialmente que tomar dos precauciones:
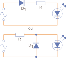
a) alimentarlo con corrientes continuas, usando para este propósito un diodo si la fuente no la suministra (figura 5).

b) Limitar la corriente a un valor que permita obtener la intensidad de luz deseada sin superar la capacidad del LED. Para este propósito se debe conectar en serie con el LED un resistor de valor apropiado.
Los LEDs comunes requieren una tensión mínima de operación, es decir, existe una tensión mínima en el sentido directo que debe ser aplicada para que el componente comience a conducir y por lo tanto produzca luz. Esta tensión es del orden de 1,6 V para los LEDs rojos, subiendo a los amarillos y verdes y va hasta 2,7 V para los azul.
En la figura 6 tenemos un circuito para la operación del LED en fuentes de corriente continua, con la fórmula para el cálculo del resistor limitador. En esta fórmula, Vf es la tensión en el LED (1,6 V para los rojos, 1,8 V para amarillos y 2,1 V para los verdes); Si es la corriente que se desea en ese componente situándose típicamente entre 10 y 50 mA.

En la figura 7 tenemos un circuito de corriente alterna con el diodo rectificador en paralelo. Los valores son los mismos que en el caso anterior.




