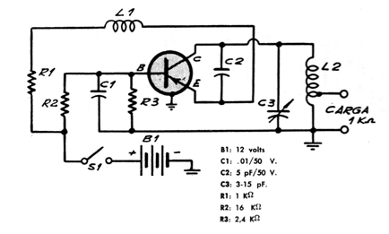
Encontramos este circuito en una antigua publicación argentina de la década de 1970. El transistor puede ser el BC558 y para mejor desempeño, podemos usar el BF494, invirtiendo la alimentación, ya que este transistor es NPN. L2 consiste en 4 espiras de hilo 26 o 28 en forma de 1 cm sin núcleo y la toma se realiza en la primera o segunda espira. L1 es un choque de 100 uH.




