Este circuito, que se puede utilizar en instrumentos de percusión, tiene el ajuste del punto de oscilación hecho en P1 y el disparo es hecho por un pulso externo. La frecuencia depende de la doble T, pudiendo ser calculada de formas explicadas en diversos de nuestros artículos en el sitio. El circuito se puede utilizar como escudo de sonido. La salida debe conectarse a un amplificador.
Oscilador Senoidal Regulable Sincronizado (CIR5582S)
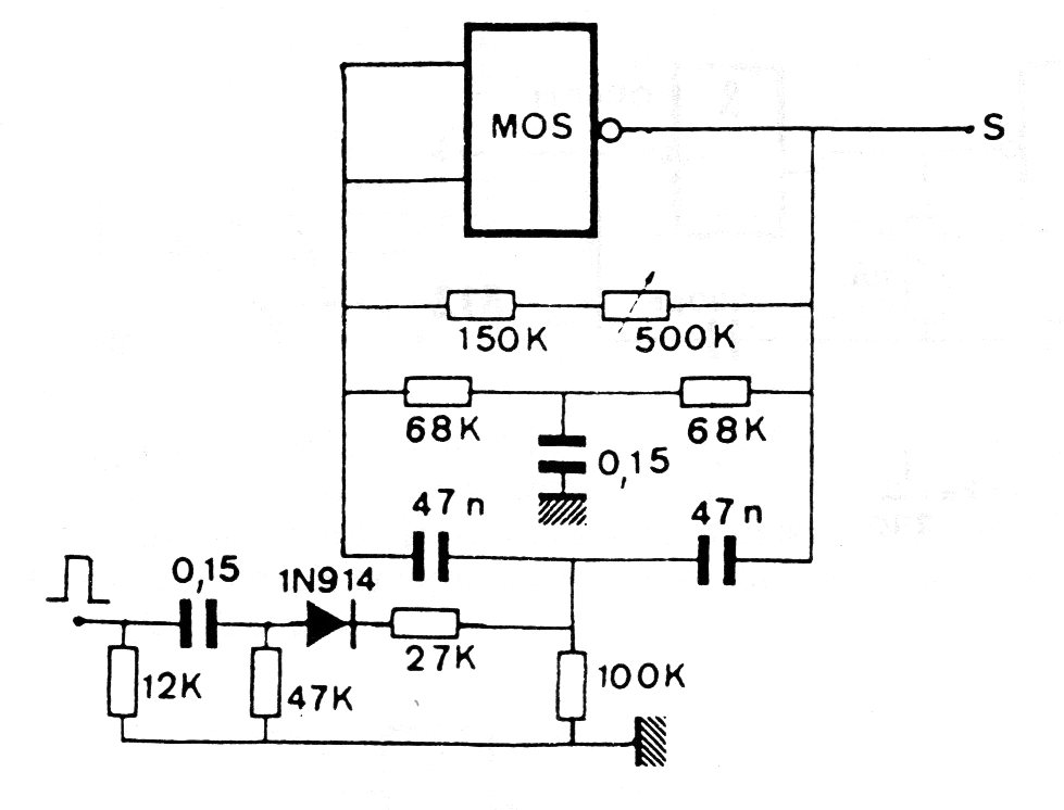
Este circuito, que se puede utilizar en instrumentos de percusión, tiene el ajuste del punto de oscilación hecho en P1 y el disparo es hecho por un pulso externo. La frecuencia depende de la doble T, pudiendo ser calculada de formas explicadas en diversos de nuestros artículos en el sitio. El circuito se puede utilizar como escudo de sonido. La salida debe conectarse a un amplificador.




