Este circuito se puede utilizar junto con el receptor del MIN729 o con otros circuitos que se proyecta con el mismo propósito. El circuito está destinado a un enlace de audio de baja frecuencia, como por ejemplo la transmisión de señales de un amplificador a una caja remota inalámbrica.
La alimentación debe realizarse con una fuente simétrica de 6 a 12 V y el LED es del tipo infrarrojo o visible. Los recursos ópticos deben ser agregados para obtener mayor directividad y alcance como, por ejemplo, una lente convergente.
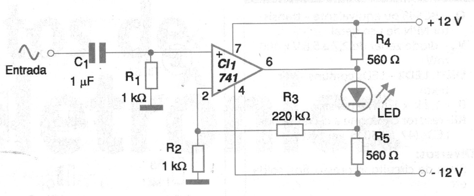
En la figura 1 tenemos el diagrama completo del enlace.
En la figura 2 una sugerencia de placa de circuito impreso.
La ganancia del circuito es dada por R3 que eventualmente puede ser alterado.
Lista de material
CI1 – 741 – amplificador operacional
LED – LED común rojo o infrarojo
R1, R1 – 1k x 1/8 W – resistores
R3 – 220 ohms x 1/8 W – resistor
R4, R5 – 560 ohms x 1/8 W – resistor
C1 – 1 uF – capacitor de poliéster
Vários:
Placa de circuito impreso, fuente de alimentación simétrica, hilos, soldadura, etc.





