Describimos el montaje de un fotómetro muy simple que puede ser usado en la comparación de niveles de iluminación o de reflectancia o tonalidad de tintas.
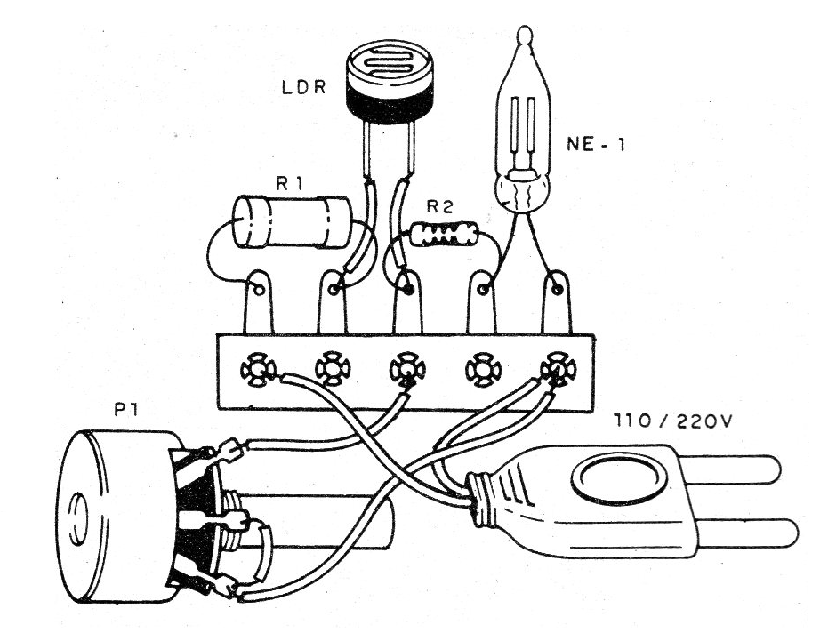
En la figura 1 tenemos el circuito alimentado por la red de energía y utilizando como indicador una lámpara neón.
Su principio de funcionamiento es fácil de entender.
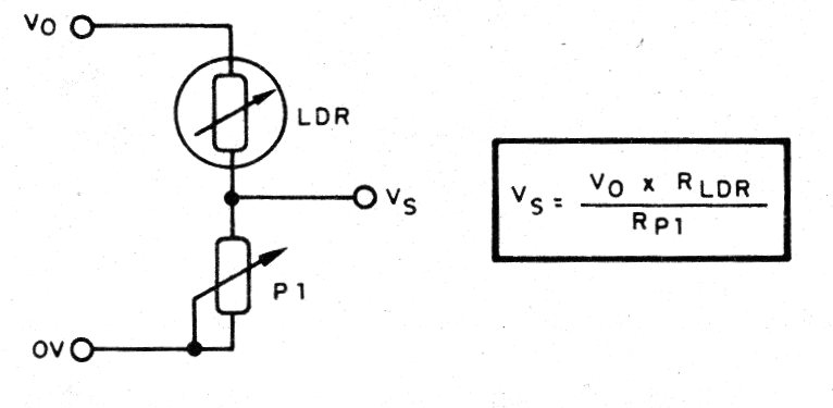
El LDR y el potenciómetro P1 forman un divisor de tensión para la red de energía con la configuración mostrada en la figura 2
Se produce que la lámpara de neón necesita una tensión de 70 a 80 V para encenderse.
Así, la tensión que aparece en la lámpara neón depende de la luz incidente en el LDR y del ajuste del potenciómetro.
Podemos entonces calibrar el potenciómetro de tal forma que al girarlo la lámpara se enciende con la intensidad que está incidiendo en aquel momento y así leemos su valor en la escala.
Con un potenciómetro lineal y utilizando un fotómetro comercial como referencia podemos hacer una escala precisa para el potenciómetro.
En la figura 3 tenemos el montaje de ese fotómetro en un puente de terminales aislado.
El conjunto debe instalarse en una caja para evitar el contacto accidental en las partes que puedan causar choques.
En la figura 4 tenemos una idea de caja para el montaje.
Para la red de 220 V utilice para R1 un resistor de 22k ohms x 5 W.
No se asuste si este componente trabaja ligeramente calentado.
Lista de material
LDR - LDR redondo común
NE-1 - lámpara de neón común
R1 - 10 k ohms x 5 W - resistor de hilo
R2 - 100 k ohms x 1/8 W - resistor - marrón, negro, amarillo
P1 - 1 M ohms - potenciómetro
Varios:
Puente de terminales, cable de forma, caja para montaje, hilos, soldadura, etc.







