Este circuito bloquea ruidos e interferencias que se propagan por la red de energía. Se debe intercalar entre el aparato interferido y la toma o entre el aparato interferente y la toma. Evidentemente, el circuito no bloquea ruidos e interferencias que se propagan por el espacio.

Las bobinas consisten en 20 y 40 espiras de hilo 20 o más grueso, según la potencia del aparato intercalado, enrolladas en un bastón de ferrita de 5 a 15 cm de longitud. El conjunto debe quedar dentro de una caja metálica debidamente conectada a tierra (T).

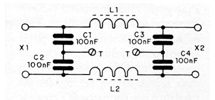
Los capacitores deben ser de poliéster con al menos 200 V de tensión de trabajo si la red es de 110 V y al menos 400 V si la red es de 220 V. En la figura 1 tenemos el diagrama completo del filtro.

 

Figura 1 - diagrama del filtro
Figura 1 - diagrama del filtro

 

 

 

Figura 2 - Montaje mediante un puente de terminales
Figura 2 - Montaje mediante un puente de terminales

 

 

 

Lista de material

 

L1, L2 - Bobinas, ver texto

C1, C2, C3, C4 - 100 nF - capacitores de poliéster - ver el texto

X1, X2 - Tomas o enchufes y enchufes

Varios: caja para montaje, hilos, soldadura, etc.