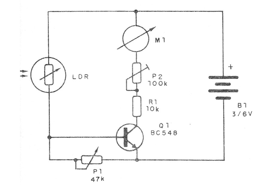
Este simple circuito utiliza un LDR como sensor, sirviendo para medir la intensidad de la luz en un determinado ambiente. El circuito no tiene una escala lineal, de modo que no sirve para medidas precisas, sino sólo para demostraciones.
Podemos usarlo para explicar el principio de funcionamiento de los LDR en clases de tecnología, electrónica o en experimentos de óptica, en el laboratorio de física. En la figura 1 tenemos el diagrama completo del fotómetro.
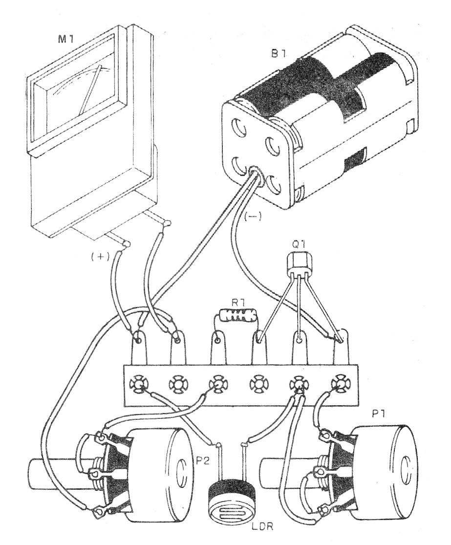
P1 es el ajuste de sensibilidad mientras que P2, que también puede ser un trimpot, sirve para ajustar el fondo de escala del instrumento. M1 puede ser un microamperímetro de 50 a 200 uA de fondo de escala o incluso un miliamperímetro de 1 mA de fondo de escala. El circuito funciona con 2 o 4 pilas pequeñas y tiene un consumo muy bajo.
Lista de material
Q1 - BC548 - transistores NPN de uso general
LDR - LDR común de cualquier tipo
M1 - Instrumento analógico indicador - ver texto
P1 - 47k - pote
P2 - 100k ohms - trimpot o pote
R1- 10 k ohms x 1/8 W - resistor - marrón, negro, naranja
B1- 3 o 6 V - 2 o 4 pilas pequeñas
Varios: puente de terminales, soporte de pilas, hilos, soldadura, etc.





