En esta experiencia demostramos de una manera curiosa la conversión de energía eléctrica en energía mecánica. Las bolas de papel se tiran hacia arriba en la conversión de la energía, obtenida de una pila común.

 

En realidad, el ciclo de conversión de energía es mayor con la conversión de energía química en eléctrica, eléctrica en mecánica en el altavoz, jugando bolitas hacia arriba y también con el estallido audible que se produce.

También tenemos el almacenamiento de energía eléctrica en un condensador, en una etapa intermedia.

 

 

 

Funcionamiento

 

En el circuito presentado, la pila suministra energía eléctrica a un condensador que entonces se carga. Cuando se presiona, la energía almacenada en el condensador se transfiere al altavoz por una fuerte corriente.

El resultado es el surgimiento de una fuerza que impulsa el cono del altavoz, haciendo que lanza pelotas de papel o granos de frijol hacia arriba y aún produce sonido.

 

 

 

Montaje

 

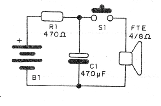
En la figura 1 tenemos el circuito electrónico usado en la experiencia.

 

Figura 1
Figura 1

 

 

En la figura 2 tenemos el aspecto real del montaje.

 

 

Figura 2
Figura 2 | Clique na imagem para ampliar |

 

 

El altavoz se puede aprovechar de un viejo radio o amplificador, apoyándose en la mesa con el cono hacia arriba. En él se juegan bolitas de papel o granos de frijoles. El capacitor debe ser de 470 uF o 1 000 F x 6 V o más.

Para S1 usamos un interruptor de presión, pero en su defecto podemos poner un hilo en el otro.

 

 

Demostración

 

Encojando un hilo en el otro o presionandoS1 debe haber un chasquido en el altavoz y las bolitas deben saltar. Si el salto es demasiado pequeño, invierte las conexiones del altavoz.

 

• Haga un diagrama del aparato y explique su funcionamiento

• Explique cómo funcionan los altavoces

 

 

 

Lista de materiales:

 

C1 - 470 uF a 1 000 uF-capacitor electrolítico

S1 - Interruptor de presión

R1 - 470 ohms x 1/8 W-resistor - amarillo, violeta, marrón

B1- 4 pilas pequeñas

FTE- altavoz de 4 u 8 ohms,

Varios:

Puente de terminales, soporte de pilas, hilos, soldadura, bolitas de papel, isopor o granos de frijol.