Este circuito tiene por objetivo accionar un relé cuando incide la luz en el LDR. Podemos usarlo en un sistema de alarma o como control remoto usando una linterna como emisor.

 

El circuito funciona bien con relés de 6 V o 12V y el LDR puede ser común. Tenga en cuenta que el relé sólo se mantiene activado mientras haya luz sobre el LDR.

 

Para aplicaciones en las que el relé permanece activado por mucho tiempo, es conveniente utilizar la fuente de alimentación. Para aplicaciones de contacto momentáneo se pueden utilizar pilas.

 

Para mayor sensibilidad si se utiliza como control remoto, instale el LDR en un tubo opaco con una lente convergente, colocando la lente para el mayor rendimiento posible.

 

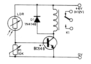
En la figura 1 tenemos el circuito completo del relé de luz.

 

 

Figura 1
Figura 1

 

 

En la figura 2 su montaje en una pequeña placa de circuito impreso usando relés sensibles de 6 ó 12 V.

 

 


| Clique na imagem para ampliar |

 

 

 

Lista de material

 

Q1- BC548 - transistores NPN

D1 - 1N4148 - diodo de silicio

K1- - Relés sensibles de 6 ó 12 V

LDR-LDR común

P1 - 10k ohms - trimpot o potenciómetro

Varios:

Placa de circuito impreso, fuente de alimentación o pilas, hilos, soldadura, etc.