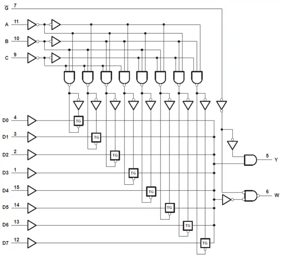
El selector/multiplexor de datos SN74LV8T151-EP de Texas Instruments proporciona decodificación binaria completa para seleccionar una de ocho fuentes de datos. La entrada del estroboscopio (G) debe estar en un valor lógico bajo para habilitar las entradas. Un nivel alto en la terminal del estroboscopio fuerza la salida estándar (Y) a un nivel bajo y la salida invertida (W) a un nivel alto. Los dispositivos SN74LV8T151-EP de Texas Instruments cuentan con cables de unión de oro, un rango de temperatura de –55 a +105 °C y un acabado SnPb.




