Las aplicaciones de Internet de las cosas (IoT) como robots domésticos, aspiradores de polvo, secadores y purificadores de aire, drones, herramientas, robots educativos e industriales y muchas otras aplicaciones utilizan motores de corriente continua sin escobillas o BLDC (Brushless DC Motors).
Para la correcta operación de estos motores es necesario utilizar un circuito de interfaz apropiado con la fuente de control, normalmente un microcontrolador.
Recordamos que los motores son analógicos de potencia y que el microcontrolador es digital de ahí la necesidad de interfaz apropiada.
Para este propósito de interfaz y control de BLDC muchas empresas disponen de dispositivos apropiados como el STLite que tiene el STSPIN32F0 cuya datasheet completa se puede acceder en: http://www.mouser.com/ds/2/389/en.DM00330483-1021078 .pdf
Una de las características importantes es que este controlador avanzado posee embutido el microcontrolador (MCU) pudiendo operar con tensiones de 8 a 45 V.
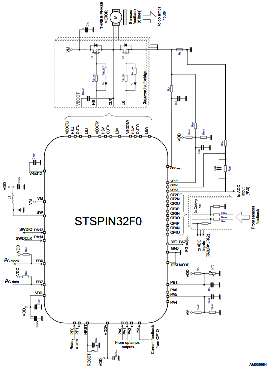
Se trata, por lo tanto, de un sistema completo en un envoltorio como muestra el diagrama de la figura 1.
1/3Figura 1 - Sistema en una envoltura única
El dispositivo tiene una fuente de 15 V con regulador lineal y puerta de enlace.
La envoltura es el SIP con el pinagem mostrado en la figura 2. En el datasheet se detallan las funciones de todos los pines.

Un ejemplo de aplicación se da en la figura 3. En él tenemos el control de motor trifásico sin escobillas con un sensor para feedback alimentando las entradas del amplificador de control.




