
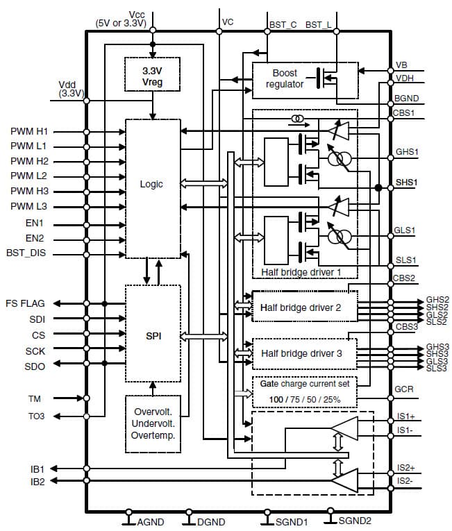
Los drivers de FET L9907 para uso automotriz de STMicroelectronics se pueden adquirir en Mouser Electronics. Estos controladores operan con fuentes de 6 V a 54 V en sistemas simples de 12 V o dobles de 24 V y en aplicaciones de 48 V.

Los drivers de FET L9907 para uso automotriz de STMicroelectronics se pueden adquirir en Mouser Electronics. Estos controladores operan con fuentes de 6 V a 54 V en sistemas simples de 12 V o dobles de 24 V y en aplicaciones de 48 V.