
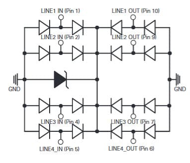
Mayo de 2017 - Mouser Electronics ya tiene para la venta las nuevas matrices de diodos SP2555NUTG de Littelfuse para corrientes de hasta 45 A y tensión de 2,5 V. Los diodos son indicados para aplicaciones en Ethernet 10/100/1000, equipos WAN / LAN , Servidores, interfaces LVDS y Smart TV.
Clique aquí para ver las hojas de datos



