
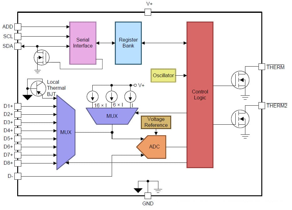
Abril de 2017 - Se puede obtener de Mouser Electronics el nuevo sensor de alta precisión TMP468 de Texas Instruments. El nuevo componente tiene una resolución de 0,0625º C y una precisión de 0,35º C. El dispositivo tiene una interfaz I2C de 2 hilos y otras operando en una gama de 1,7 V a 3,6 V. alimenta más en:



