
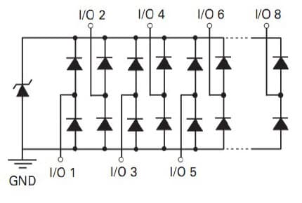
Abril de 2017 - Mouser Electronics está proporcionando la línea SP8008 Littelfuse de conjuntos de diodos. Los nuevos componentes integran ocho diodos de baja capacitancia y se indican para la protección ESD en diversos tipos de equipos con un nivel de ESD +/- 8 kV.



