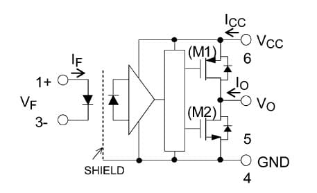
Marzo de 2017 - La serie Toshiba TLP577x consta de un emisor de luz y sensor de infrarrojos (IR) en un circuito integrado (alta ganancia fotodetector) instalado en un envoltorio SO6L 50% más pequeño que las carcasas equivalentes de 8 pines DIP.
El dispositivo cuenta con característica importante su alto rechazo de los transitorios de + - 35 kV / y puede por eso ser acoplado directamente a un microcontrolador sin necesidad de almacenamiento en búfer.
La tensión de alimentación es de 10 a 30 V y la corriente de drenaje es 3 mA (max). Entre las aplicaciones incluyen acondicionamiento de potencia en sistemas fotovoltaicos, servos AC, los conductores de motores, sierras industriales, etc.
Clique aquí para ver las hojas de datos




