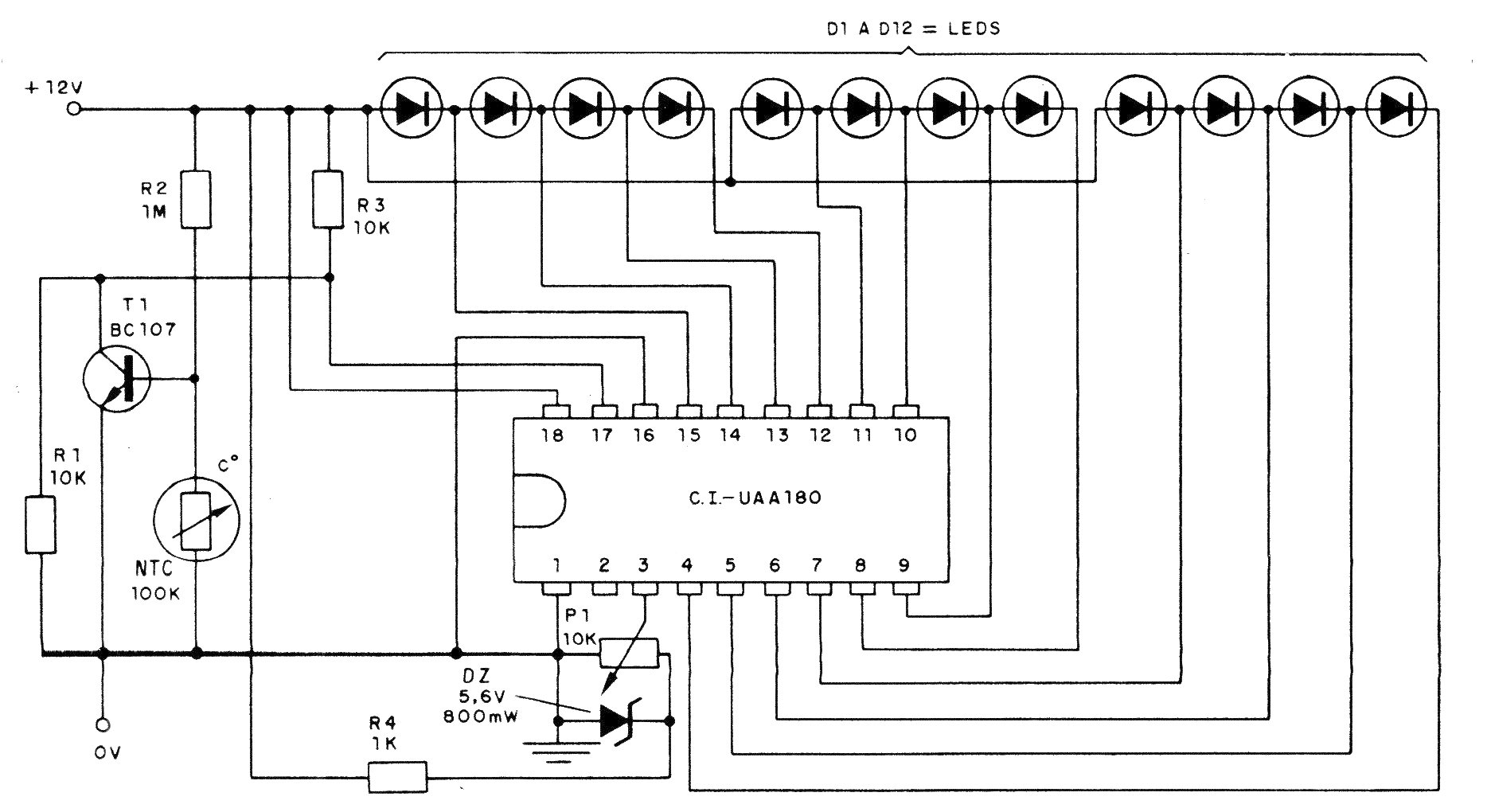
Este circuito es de una documentación de 1985. El circuito integrado utilizado no es muy común actualmente, pero se pueden hacer adaptaciones con el LM3914 aprovechando la etapa sensora. El circuito es alimentado por tensión de 12 V y el sensor es un NTC de 100k.




