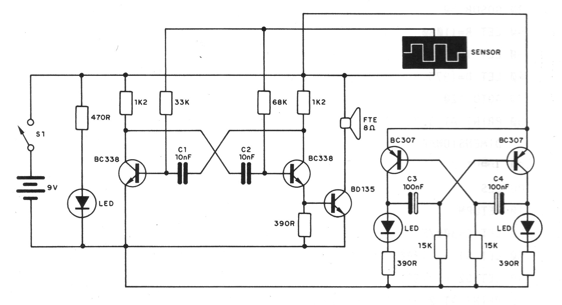
Este circuito fue encontrado en una documentación de 1985. Proporciona una indicación audiovisual de la presencia de humedad o agua en el sensor. El circuito puede ser alimentado por tensiones de 6 a 9 V.
Este amplificador de guitarra a transistores apareció en la revista Radio Electronics en noviembre de...
Este circuito de Texas Instruments de 1968 usa diacs de la época. Los SCR pueden ser equivalentes...
El Variable Frequency Oscillator (VFO) o el oscilador de frecuencia variable que se muestra en la...