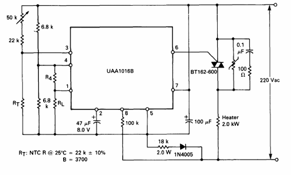
El circuito integrado utilizado es de Motorola y el circuito del Linear Databook de 1990. El componente no es muy común, pero el triac puede ser cualquiera de la serie TIC según la carga controlada.

El circuito integrado utilizado es de Motorola y el circuito del Linear Databook de 1990. El componente no es muy común, pero el triac puede ser cualquiera de la serie TIC según la carga controlada.
