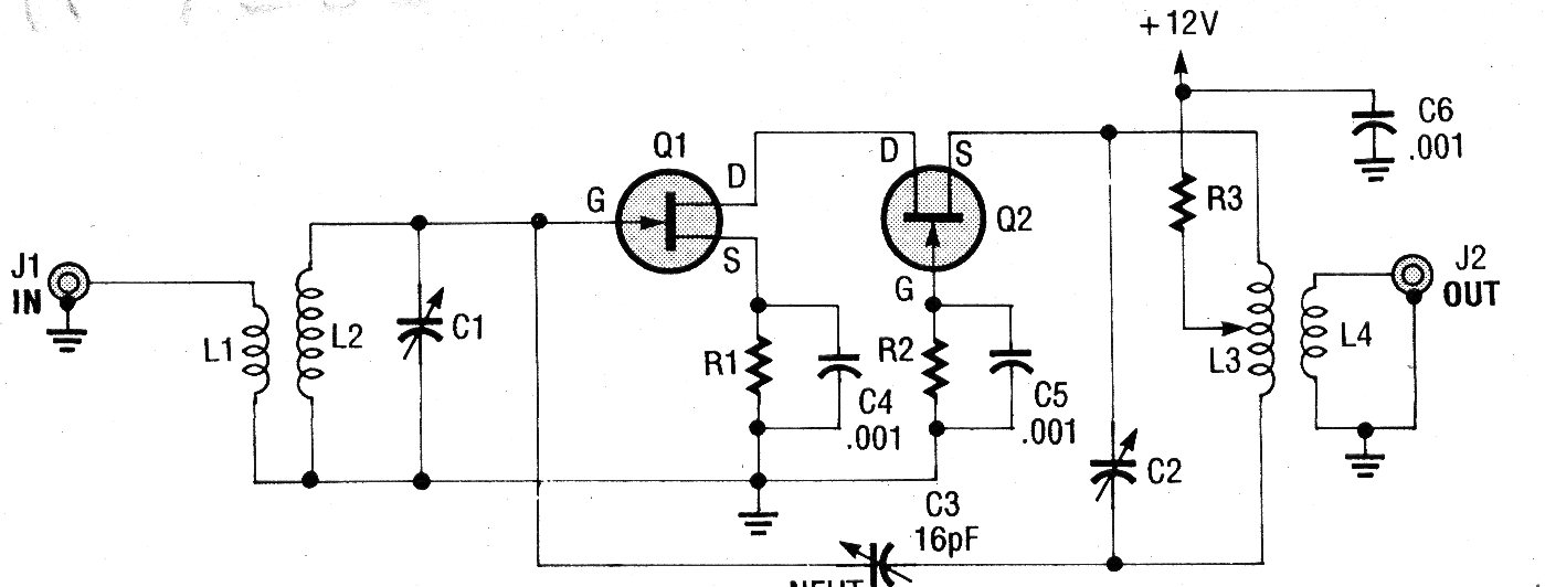
Este circuito amplifica y hace una preselección de señales que deben ser recibidas por un receptor de VHF. Las bobinas dependen del rango de frecuencias y los FET pueden ser los MPF102 o BF245. El circuito debe ser alimentado por una tensión de 12 V. Encontramos esta configuración en una publicación americana de 1990.




