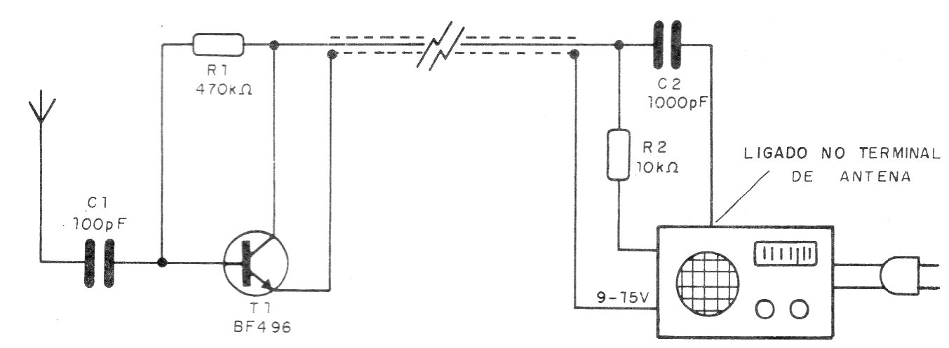
Este simple amplificador de señales aperiódico es alimentado por las pilas o la fuente del propio receptor con el que operar. Mejora la recepción de señales de la banda de ondas medias, cortas y eventualmente FM. El circuito se intercalará entre una antena externa y la entrada de antena del receptor.




