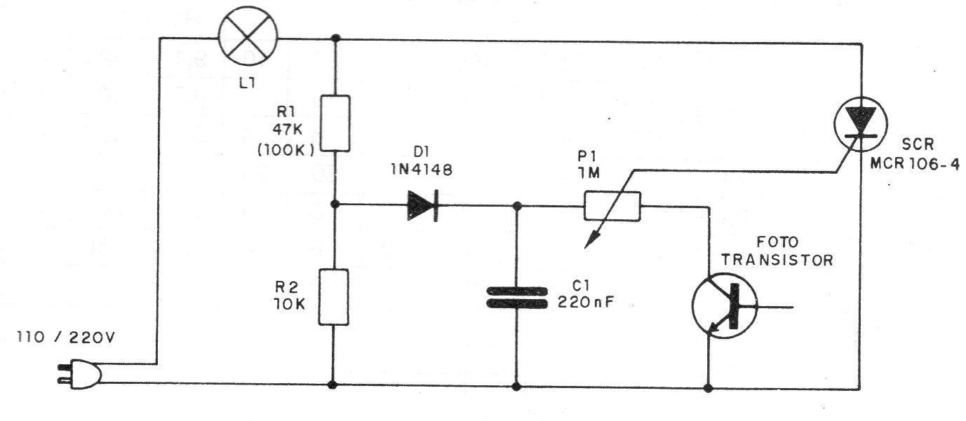
Este circuito acciona una lámpara incandescente (no puede ser de otro tipo) cuando se oscurece. La potencia máxima está alrededor de 200 W y el control es de media onda. El circuito es de una documentación de 1987 y el SCR debe montarse en un disipador de calor. El ajuste de sensibilidad se realiza en el trimpot.




