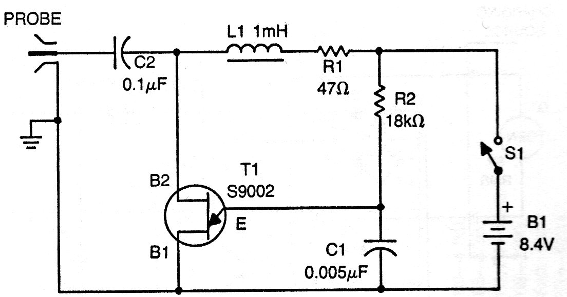
Este oscilador de relajación con unijuntura puede ser utilizado como un inyector de señales de gran utilidad. El circuito es de una publicación americana de los años 70 y con la ayuda del inductor genera muchos armónicos que lo hacen útil en la reparación de equipos de radio. El transistor unijuntura puede ser el 2N2646 y los componentes pueden tener sus valores cambiados para un mejor rendimiento. La alimentación se puede realizar con una batería de 9 V.




