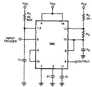
Este circuito genera un tren de pulsos cuya frecuencia depende de R2, R3 y C2 y cuya duración depende de R1 y C1. El 556 es un doble 555 y la alimentación se puede hacer con tensiones de 5 a 12 V. El circuito es de un manual de Signetics de 1977.

Este circuito genera un tren de pulsos cuya frecuencia depende de R2, R3 y C2 y cuya duración depende de R1 y C1. El 556 es un doble 555 y la alimentación se puede hacer con tensiones de 5 a 12 V. El circuito es de un manual de Signetics de 1977.
