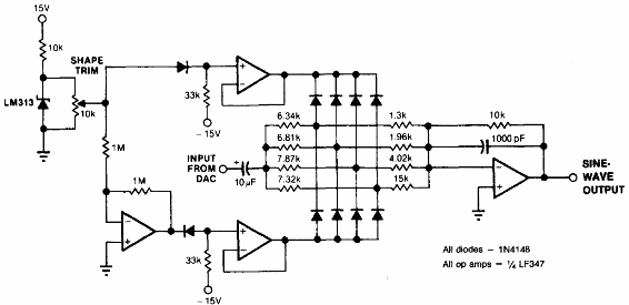
El circuito presentado posee una estabilización con el LM313. Los componentes usados son poco comunes, en el caso del circuito integrado, que puede ser sustituido por equivalente. El circuito es del Linear Applications Handbook de National Semiconductor de 1994.




