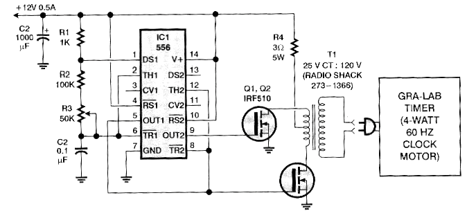
El circuito abajo fue sugerido por Potronics en 2001, revista que ya no existe, pero que era excelente por los proyectos. Yo mismo fui colaborador de esta publicación durante algunos años con diversos proyectos que se pueden ver en la Memoria Histórica de este sitio. Este circuito es interesante porque consiste en un variador que tiene un ajuste fino para obtener la frecuencia de 60 Hz y con ello posibilitar la alimentación de relojes digitales. El ajuste debe realizarse con la ayuda de un frecuencímetro. Los transistores deben estar dotados de disipadores y el transformador es del tipo 12 + 12 V con una corriente en el rango de 800 mA a 1 A. En la aplicación el circuito alimenta un reloj del tipo mecánico que tiene un motor sincronizado por la red para marcar el tiempo . Observamos que la forma de onda de la tensión obtenida no es perfectamente senoidal.




