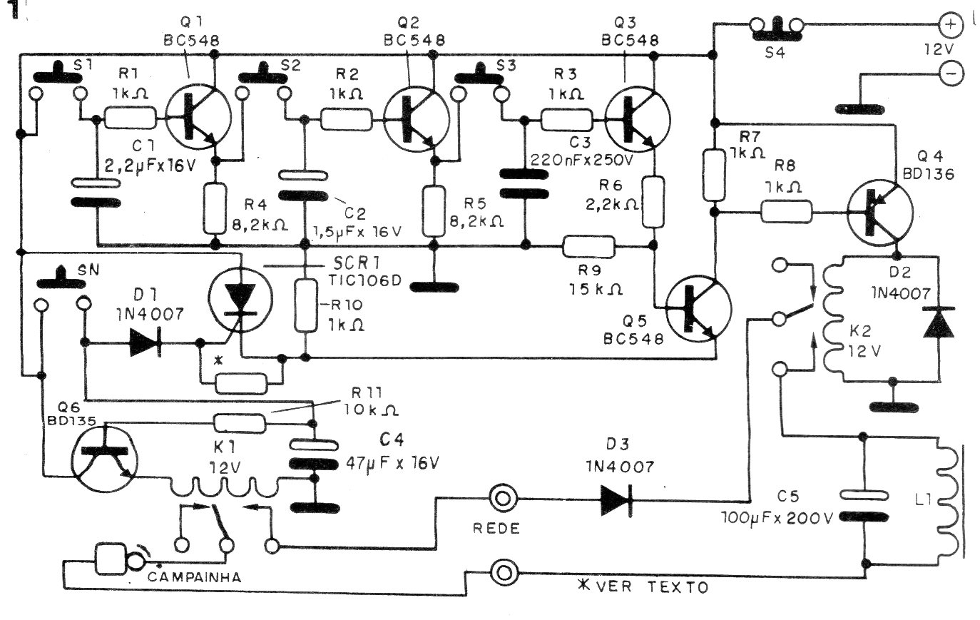
Este circuito es de una documentación antigua, pero como sólo usa transistores comunes todavía hoy, su montaje se puede realizar sin problemas. El circuito requiere que la secuencia correcta de llaves sea presionada para activar el relé. Si se activa una llave errónea, el circuito resete. El circuito es para 12 V que es la tensión del relé usado. L1 es la bobina del solenoide para la tensión de la red.




