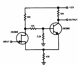
Este circuito es del Linear Applications Handbook de National Semiconductor de 1994. El FET puede ser el BF245 o MPF102 y el bipolar el 2N2222. Este circuito convierte una señal de cualquier forma de onda en una señal rectangular.

Este circuito es del Linear Applications Handbook de National Semiconductor de 1994. El FET puede ser el BF245 o MPF102 y el bipolar el 2N2222. Este circuito convierte una señal de cualquier forma de onda en una señal rectangular.
