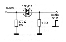
Este circuito se dispara cuando la tensión de entrada supera los 30 V. Su base es un DIAC y se puede utilizar para disparar el sistema de aviso de sobretensión u otros circuitos similares. La tensión de disparo dependerá del tipo de DIAC que se utiliza, pero para la mayoría de los tipos estará alrededor de los 30 V.




