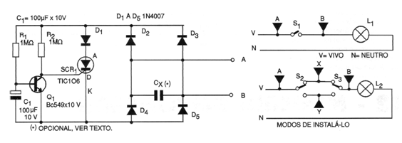
Este circuito, que sólo se puede utilizar con lámparas incandescente, se adapta al interruptor común de pared. Lo que hace es apagar la lámpara sólo después de unos 15 segundos que el interruptor está abierto. El circuito admite lámparas de hasta 100 W y el SCR debe estar dotado de un pequeño disipador de calor. C1 puede ser aumentado para tiempos más largos.




