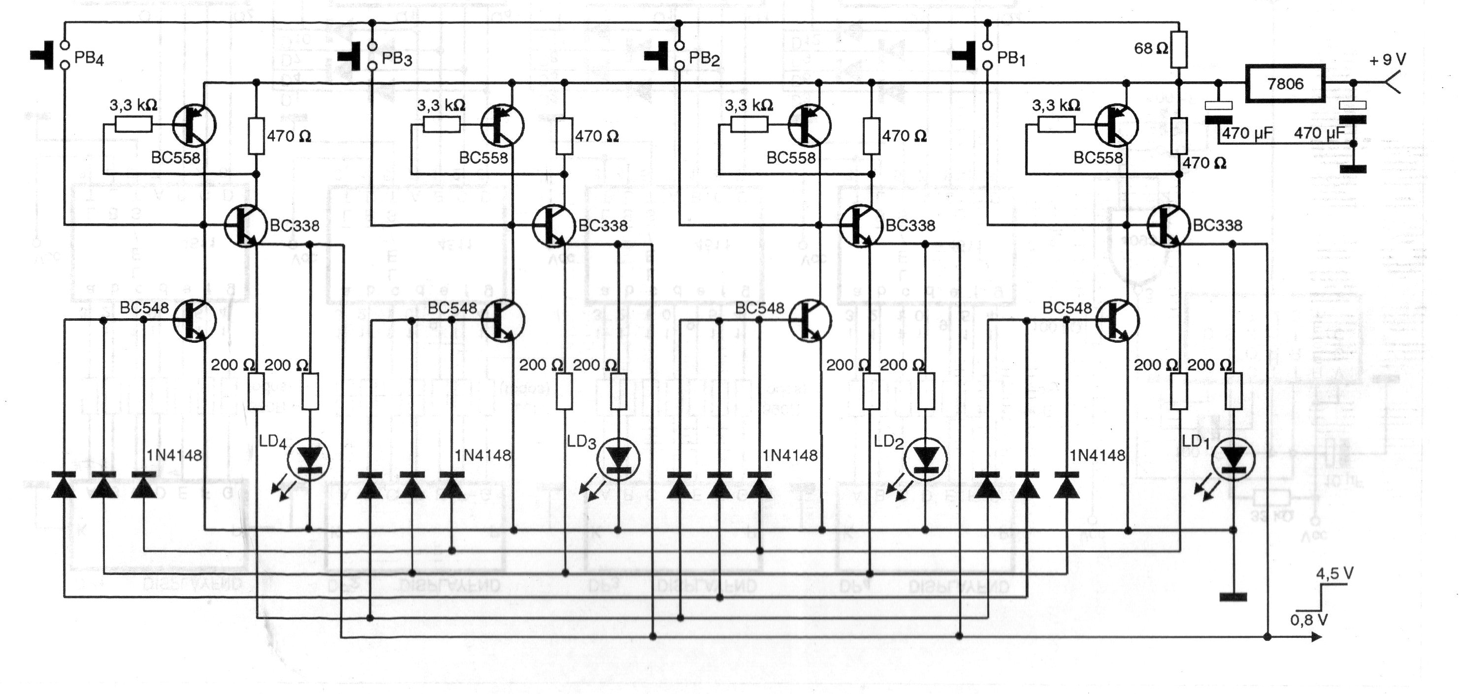
Este circuito acciona a través de un toque en un interruptor uno de los circuitos seleccionados, manteniéndolo accionado. El circuito activa llaves con traba que pueden tener como carga relés de accionamiento. El circuito es de una documentación de 1998 y tiene alimentación de 6 V. En el diagrama faltó el pasador de tierra del 7806.




