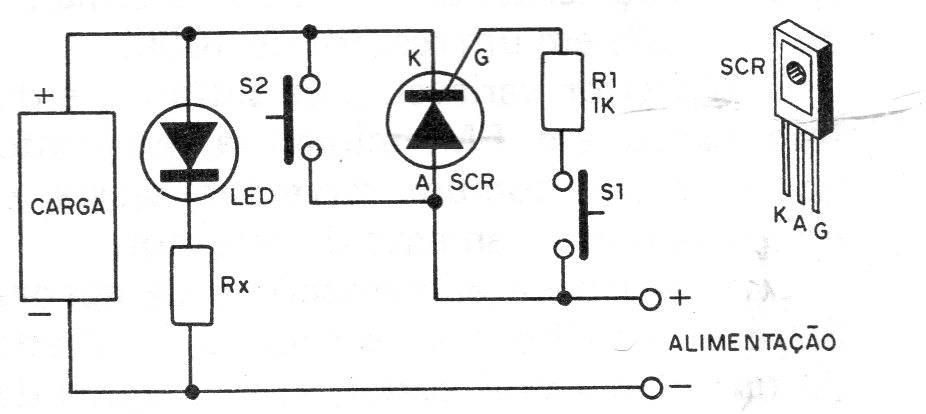
Este circuito de 1977 es una aplicación simple y directa de un SCR, ya explorada en muchos artículos de este sitio. El circuito se bloquea cuando se presiona por un instante S1. El circuito puede ser usado con cargas de 6 a 12 V, recordando que hay una caída de tensión del orden de 2 V en el SCR.




