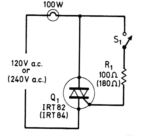
Este circuito, ya explotado en otras aplicaciones de este sitio, muestra cómo utilizar una llave de baja corriente para encender y apagar una carga de alta corriente usando un Triac. El circuito está indicado para aplicaciones de alta tensión alternada y el triac debe estar dotado de un disipador de calor.




