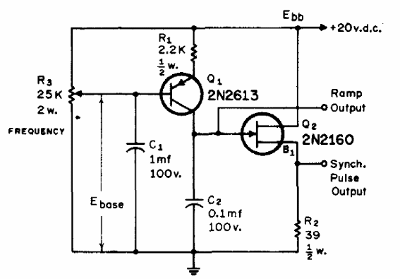
Encontramos este circuito en una documentación de 1972. El transistor, en realidad es un unijuntura que puede ser el 2N2646. El transistor bipolar es el BC558. Con los valores indicados para los componentes la rampa puede tener frecuencias entre 100 y 4000 Hz.




