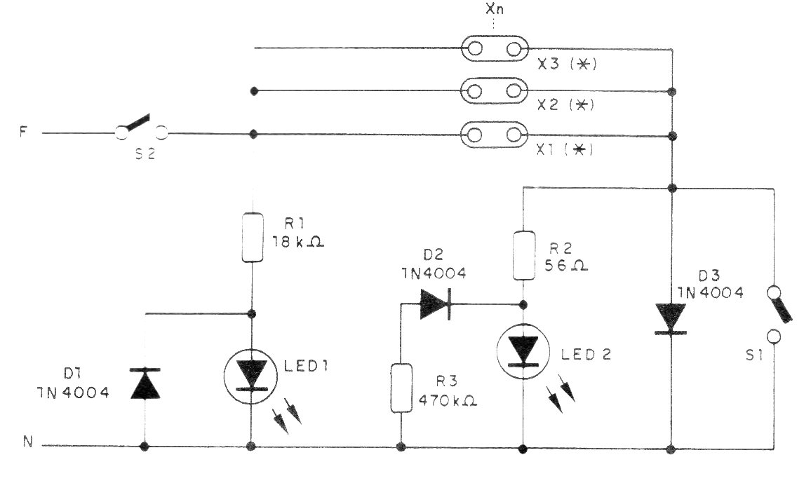
Este circuito monitorea a través de LED la alimentación de diversas tomas en un banco. El circuito sirve tanto para la red de 110 V como 220 V. El circuito es de una documentación de 1995. Para la red de 220 V utilice diodos 1N4007.
Esta es una radio experimental para la banda de ondas medias, que con una antena pequeña puede...
Girando un pequeño motor con la ayuda de un volante, producimos un sonido similar al de una sirena...
Este circuito se puede incrustar en robots y otros automatismos para indicar su funcionamiento. Lo...