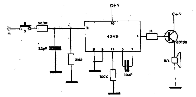
Al apretar el interruptor S, el capacitor de 2,2 µF se carga lentamente con la producción de un sonido de frecuencia creciente por el VCO 4046. La frecuencia del sonido está dada básicamente por el capacitor de 10 nF. Cuando se suelta 5, la descarga del capacitor por el resistor de 2M2 hace que el sonido sea decreciente. Estos componentes de carga y descarga pueden ser alterados en sus valores para modificar los efectos. La alimentación +V se sitúa entre 3 a 15V, y el transistor BD135 debe ser montado en un disipador de calor.




