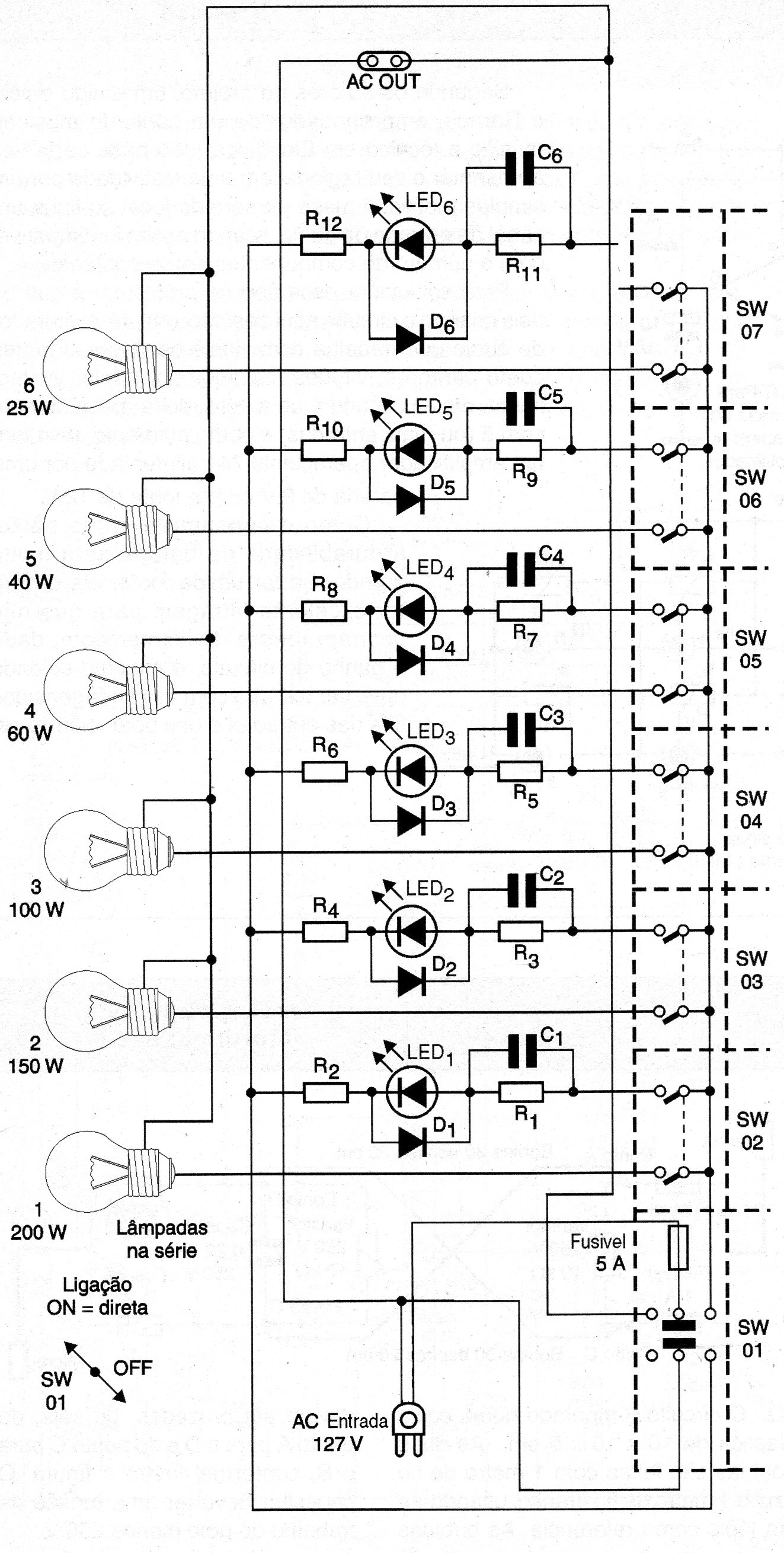
Encontramos este interesante circuito con lámparas incandescente en una publicación de 2005. La idea es utilizar lámparas de prueba de potencia para la prueba de equipos eléctricos y electrónicos como lámpara de serie. Las llaves hacen la selección de la lámpara que está siendo utilizada en la prueba.




