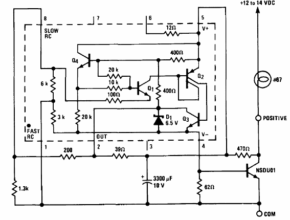
El circuito seleccionado hace que una lámpara de 12 V con corriente hasta 500 mA para el transistor BD135, parpadee a una frecuencia determinada por el capacitor externo. El circuito es sugerido por National Semiconductor en una documentación técnica.




