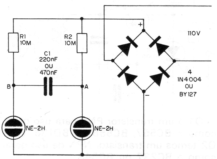
Este circuito simple consiste en un parpadeante para lámpara neon de muy bajo consumo y se encuentra en una documentación de 1982. El circuito puede ser alimentado por 110 V para diodos 1N4004 o 220 V para diodos 1N4007.
Este receptor puede captar las estaciones de FM locales y en el rango de VHF aviones, servicios...
Si usted necesita tensiones de 1 a 12 V con corriente hasta 1 A a partir de una fuente de tensión...
Este oscilador experimental produce señales en el rango de ondas medias (OM) entre 550 kHz y 1600...